股票代码  003021
主页 > 常见问题 > 行星齿轮减速机选型计算

行星齿轮减速机选型计算

2019-05-09 01:38

行星减速机选型计算应确定以下技术参数:每天工作小时数;每小时起停次数;每小时运转周期;可靠度要求;输出转速;载荷类型;环境温度;现场散热条件;减速机通常是根据恒转矩、起停不频繁及常温的情况设计的。
行星减速机扭矩计算公式:

速比=电机输出转数÷减速机输出转数 (“速比”也称”驱动比”)。

1.知道电机功率和速比及使用系数,求减速机扭矩如下公式:

减速机扭矩=9550×电机功率÷电机功率输入转数×速比×使用系数

2.知道扭矩和减速机输出转数及使用系数,求减速机所需配电机功率如下公式:

电机功率=扭矩÷9550×电机功率输入转数÷速比÷使用系数

选用减速机应考虑其结构类型、安装形式、承载能力、输出转速、工作条件等因素。行星减速机主要是由行星轮、太阳轮和内齿圈构成,原理是行星轮围绕太阳轮转动从而达到减小转速增大扭矩的目的。今天我们来了解一下不朽情缘mg官网行星减速电机选型有哪些。行星齿轮轮系驱动比的计算:

(一)行星轮系的分类

若轮系中,至少有一个齿轮的几何轴线不固定,而绕其它齿轮的固定几何轴线回转,则称为行星轮系。

行星轮系的分类

行星轮系的组成:行星轮、行星架(系杆)、太阳轮

(二)行星轮系驱动比的计算

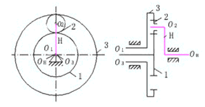
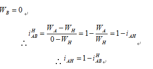
以差动轮系为例(反转法)

转化机构(定轴轮系) T的机构

行星轮系驱动比的计算

差动轮系:2个运动

行星轮系:

对于行量轮系:

1、分析轮系的组成

1、2、2’、3——定轴轮系;

1’、4、3’、H——周转轮系

2、分别写出各轮系的驱动比

了解了行星齿轮减速机计算,我们来看看行星齿轮减速机的选型。行星齿轮减速机选型因素:

1)应选择与电机安装法兰相匹配的行星齿轮减速机

2)确定减速比:具体的减速比是设备厂家根据自己的设备要求来确定的。级数越高,价格越贵,间隙越大。

3)确定减速机的输入和输出形式:输入方面,有孔输入和轴输入;输出方面,有轴输出、孔输出、法兰盘输出等。

不朽情缘mg官网行星减速机型号可选产品:
[主要分为四大系列]

ZWBPD系列:

ZWBPD006006、ZWBPD010010、ZWBPD016016、ZWBPD020020、 ZWBPD022022、ZWBPD024024、ZWBPD028028

ZWPD系列:

ZWPD008008、ZWPD012012、ZWPD032032

ZWBMD系列:

ZWBMD003003、ZWBMD004004、ZWBMD006006、ZWBMD010010、ZWBMD020020、ZWBMD022022、ZWBMD024024、ZWBMD028028、ZWBMD032032

ZWMD系列:

ZWMD008008、ZWMD012012、ZWMD016016、ZWMD038038

没找到您要的行星减速电机型号,可在其他产品里查找:

金属小型减速电机

金属行星减速电机

塑胶小型减速电机

塑胶行星减速电机

非标定制齿轮箱

非标定制行星减速电机

了解更多产品信息
在线留言 MESSAGES



验证码:

99  −    =  97

不朽情缘mg官网 — 微型驱动系统制造商

专注于研发、生产精密驱动系统,为客户提供智能驱动方案设计,零件的生产与组装的定制化服务

立即咨询  >

粤ICP备11019966号     Copyright ? 2023  深圳市不朽情缘mg官网机电股份有限公司  

粤ICP备11019966号
Copyright  2023  深圳市不朽情缘mg官网机电股份有限公司

400-066-2287
服务热线


线

服务热线:400-066-2287
sitemap地图