股票代码  003021
主页 > 产品中心 > 微型电机 > 无刷空心杯电机 > Φ12mm无刷空心杯电机(MC1237)
概述

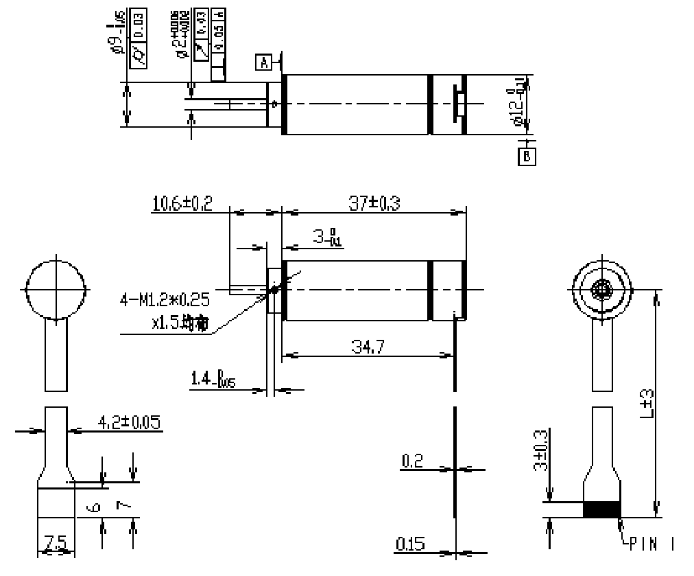
Φ12mm无刷空心杯电机(MC1237)

产品型号:MC1237

直径(mm):12

长度(mm):37

额定电压(V):24

额定转速(rpm):19000

堵转转矩(mNm):19

堵转电流(A) :2.3

转矩常数(mNm/A):8.7

速度常数(rpm/V) :1099

输出轴直径(mm):2

电机参数

电机数据(额定值)
额定电压(V) 24
空载转速(rpm) 24000
空载电流(A) 70
额定转速 (rpm) 19000
额定转矩(mNm) 5
额定电流(A) 0.65
堵转转矩(mNm) 19
堵转电流(A) 2.3
最大效率(%) 68
电机常数(额定值)
相间电阻(Ω) 10.2
相间电感(mH) 0.179
转矩常数(mNm/A) 8.7
速度常数(rpm/V) 1099
转速/转矩斜度( rpm/mNm) 1338
机械时间常数(ms) 2.94
转子惯量(gcm2) 0.239
热参数
机壳-环境热阻(K/W) /
绕组-机壳热阻(K/W) /
绕组热时间常数(s) /
电机热时间常数(s) /
环境温度(℃) ?? -20…+100
最高绕组温度(℃) 125
机械参数(滚珠轴承)
最大允许转速(rpm) 40 000
最大轴向间隙(mm) < 0.15 N? 0
?> 0.15 N? 0.06(max)
径向间隙 ?preloaded
最大轴向动态载荷(N) 2
最大允许安静态装力(N) 10
最大径向载荷,距离法兰处2mm处(N) 5
端子型号
Molex 52745-1297
*注:以上具体参数可根据客户要求定制。

设计图纸

热门产品查看更多

  •  MC1958

      额定电压 36 V  

      额定转速 54400 rpm  

      堵转转矩 447 mNm  

    查看详情
  •  MC2232

      额定电压 24 V  

      额定转速 10400 rpm  

      堵转转矩 627 mNm  

    查看详情

资料下载

Φ12mm无刷空心杯电机(MC1237)规格书

不朽情缘mg官网 — 微型驱动系统制造商

专注于研发、生产精密驱动系统,为客户提供智能驱动方案设计,零件的生产与组装的定制化服务

立即咨询  >

粤ICP备11019966号     Copyright ? 2023  深圳市不朽情缘mg官网机电股份有限公司  

粤ICP备11019966号
Copyright  2023  深圳市不朽情缘mg官网机电股份有限公司

400-066-2287
服务热线


线

服务热线:400-066-2287
sitemap地图